IL200-02氣動鎖止閥
常陽儀表的鎖止閥是閥位保護裝置,當儀表的氣源壓力中斷,或氣源供給系統發生故障時,氣動鎖止閥能夠自動切斷調節器與調節閥氣室,或定位器輸出與調節閥氣室之間的通道,使調節閥的閥位保持原來的控制位置,以保證調節回路中工藝參數不變。這樣介質的被調作用不中斷,故障消除后,氣動鎖止閥立刻恢復正常位置。在現場又叫:氣動鎖止閥,氣動保衛閥,氣動鎖定閥,斷氣止鎖閥。 
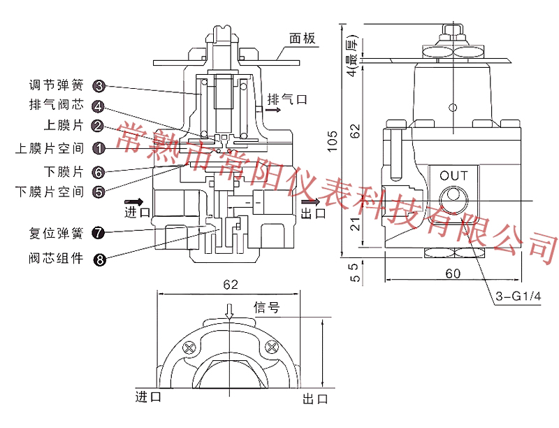
(圖中所示:IL200-02氣動鎖止閥) 常陽鎖止閥氣源或供氣線路故障,而導致氣動控制線路發生意外時,鎖定閥能令工具端保持壓力,直到氣源或供氣線路恢復正常。 鎖止閥使用的系統壓力,介質溫度,及使用壓力應符合下表所規定的數值: 
常陽鎖止閥外形尺寸圖 
 |