HEP電氣閥門定位器連接指南 本篇來介紹下常陽HEP系列閥門定位器的相關連接。 常陽生產的HEP系列電氣閥門定位器有HEP-15隔爆型電氣閥門定位器、HEP-16本安型電氣閥門定位器、HEP-17防水型電氣閥門定位器。HEP閥門定位器可配不同彈簧范圍的調節閥,只要改變氣源壓力就能配套使用。 
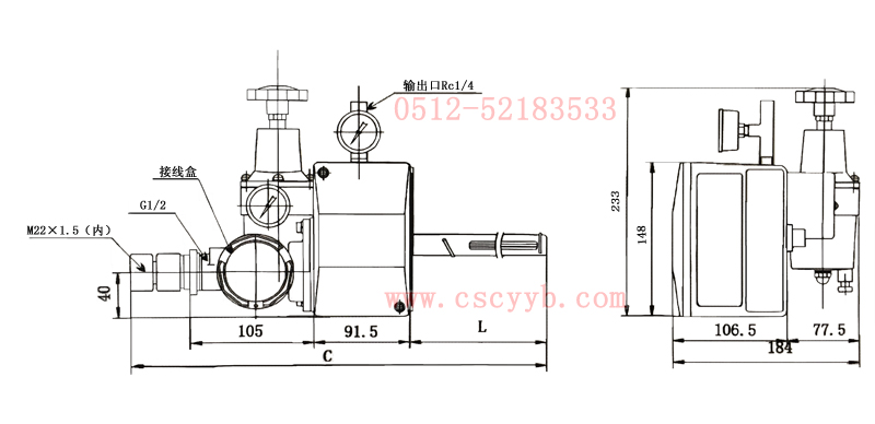
氣管連接 氣管連接有兩個:一個是供氣接口,標有“SUP”供氣字樣,另一個是定位器輸出接口,標有‘OUT”(輸出)字樣。氣管連接時請注意不要讓密封帶或污物進入管路內。氣管可使用φ6mm或φ8mm銅管。定位器出廠時一般配φ6mm卡套式氣管接頭。如需配用φ8mm銅管,請訂貨時指明。
電路連接 1)拆下接線盒的蓋子,把輸入信號線的正負極與接線盒的正負極對應相接,牢固固定、不得松動。 2)隔爆定位器應確保二連線間的爬電距離≥4mm,信號進線口可采用防爆撓性軟管連接,其接口螺紋為G1/2.,螺紋長度≥22.也可采用電纜直接連接,電纜外徑為φ8±1mm,導線截面積>1.5mm2,電纜引入部分不得隨意去掉密封塞、墊圈。壓緊螺母必須壓緊,確保密封。改好后將鎖緊螺絲擰緊。 3)本質安全定位器必須與關聯設備安全柵配套使用,安全柵的安裝、調試必須嚴格按安全柵的說明進行。連接導線或電纜最高分布電容<0.03uF,最高分布電感<1.0mH。 
注意事項 ①斷電源后開蓋。 ②外殼接地。 ③現場須遵守防爆電氣設備安全規程。 ④隔爆型外部接線接頭應符合dIICT防爆等級要求。 ⑤本質安全型外部接線接頭應符合iaIICT5防爆等級要求。 ⑥安全柵與定位器的連接導線及電纜允許分布電容與電感值不得不大于0.03uF和1.0mH。 ⑦本安電纜芯線截面積S>0.5mm2,屏蔽層在安全場所接地。 ⑧安全柵的安裝和調試必須遵守安全柵使用說明書有關規定。
外形尺寸  |